Apex 420 modifications

  • Thread starter Thread starter Andybot
  • Start date Start date
A

Andybot

Member
Hi,
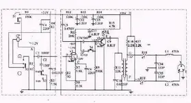
heres a schematic of the apex 420 condenser mic. And suggestions on ways this mic might be improved are greatfully received.
Thx
 

Attachments

  • apex420schematic#2.webp
    apex420schematic#2.webp
    30.6 KB · Views: 702
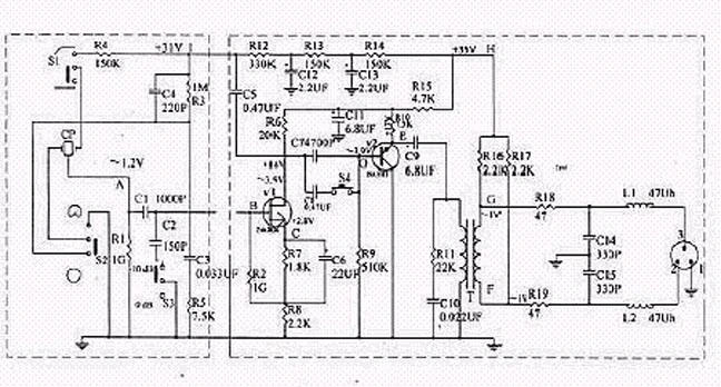
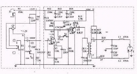
Replace C1 with a 1000pf polystyrene (just like on the other mic). Replace C7 (? can’t read the value) with a Panasonic miniature metallized film “V” series of the same or larger value (whatever fits). Replace C9 with a Panasonic “FC” series electrolytic cap.
 
Apparently most cheaper mics have cheap transformers that can benefit from replacement or relamination. See this thread:
https://homerecording.com/bbs/showthread.php?t=124563

Also, could you repost the circuit a little larger - these old eyes can't read some of it. Thanks.

Hey, Flatpicker - what's the status of those replacement laminations/kit mentioned in the above thread? Anyone ever get any to sell/distribute?
 
apex 420

Thanks both of you.
I will try to improve the schematic and and repost.
A
 
Flatpicker said:
Replace C1 with a 1000pf polystyrene (just like on the other mic). Replace C7 (? can’t read the value) with a Panasonic miniature metallized film “V” series of the same or larger value (whatever fits). Replace C9 with a Panasonic “FC” series electrolytic cap.


I would also suggest trying polypropilene caps, which to my ears sound better. It seems that this is a LDC mic, so you might have much more room to fit it here. C7 works in parallel with C?, (which is in series with S4 switch), so replace C7 with the same value, to get bass cut, and C? with the highest value of polypropilene cap you can fit. Also, instead of C9 I would recommend polypropilene, as well, as it tends to sound better than any, even highest quality electrolitics, including Black Gates. 2-3Mf caps instead of C? and C9 would be more than sufficient.

As Crazydoc has already noticed, the trafo here would be the main objection though, and should be replaced with high quality Lundahl, or at least re-lamed with good quality Nickel core. Otherwise, you probably won't hear much difference with caps replacement.

Please notice, this mic uses a RC network around primary of the trafo on R11 and C10. This is a well known trick from old good days of tube amplifiers, and tends to increase performance of not very good trafos. If you decide to replace/relam it, try to disconnect this network and see which way you like better.
 
apex 420

Hope this is better. A
 

Attachments

  • apexschematic#3.webp
    apexschematic#3.webp
    76 KB · Views: 732
apex 420

Thx for all the ideas.

Considering the price of a new transformer I would be far more interested in relaminating the original. It does seem from the original thread that there were no sources for small quantities of laminations.

Did anyone find a source for smaller quantities?

Thx, Andybot
 
crazydoc said:
Hey, Flatpicker - what's the status of those replacement laminations/kit mentioned in the above thread? Anyone ever get any to sell/distribute?
I got samples from Magnetic Metals but haven't had time to try them yet (story of my life!). You can order enough free samples to do 2 or 3 - # 2425 EE 8014 Super Q for the MXL.

As for the Audix mic, not sure what size transformer is in there. Could be the same.

Dang, I always thought Audix might be a cut above the other Chinese mics, but it doesn't look that way, does it? Just over-priced marketing hype. :p
 
Flatpicker said:
Dang, I always thought Audix might be a cut above the other Chinese mics, but it doesn't look that way, does it? Just over-priced marketing hype. :p

Apex Tim, Apex :D :D
 
mic mods

So on my Audix mic if I were to replace the laminations on the transformer how would it effect the apex I have. Sorry, that was about as funny as snl.

So what do I have to match when replacing laminations, im asssuming physical size, but what else do I need to consider?
Thx, A
 
I'm not sure, but I think the "2425 EE" part of the number is the size and would be the only part of the number you would change for a different transformer. Pull your transformer and post the measurments of it's laminations and I'll see if they are the same.
 
apex 420 transformer

Hi Flatpicker,
I drew a little pick of the laminations. The 25mm and 24mm measurments are exact the others are close. There are 17 sets of laminations in this transformer, if that matters, and i forgot to mark its position before I removed it.

Will those laminations you ordered also work on this mic?
 

Attachments

  • apex420transformerlamination.webp
    apex420transformerlamination.webp
    31.8 KB · Views: 498
Flatpicker said:
I got samples from Magnetic Metals but haven't had time to try them yet (story of my life!). You can order enough free samples to do 2 or 3 - # 2425 EE 8014 Super Q for the MXL.
How did you order the samples? Send them an email, or is there somewhere on the website they do sampling?
 
Andybot said:
Hi Flatpicker,
I drew a little pick of the laminations. The 25mm and 24mm measurments are exact the others are close. There are 17 sets of laminations in this transformer, if that matters, and i forgot to mark its position before I removed it.

Will those laminations you ordered also work on this mic?
I don't think they'll work. Where your dimensions are 24mm, mine are 19mm and where yours are 3mm, mine is 5.6mm.
 
crazydoc said:
...I don't know the difference between the metal types (superperm ,supertherm, superQ)...
Super Q is for audio and superperm is for hair. :p

Just kidding... superperm is for pulse signals.

As far as getting samples, I just called them up and ask.
 
crazydoc said:
Part #25EI8014 on this page would probably do the trick.

I take that back - it's only 3/4 inch wide (~19mm) and yours is 24mm. I can't find any your size in a cursory search of the catalog.
 
apex 420

No Crazydoc, you were righ mines actuall 20mm or 3/4. I guess i solved the face at the window problem.

So i will need super Q if im recording a guitar and the other if im recording my hair. Thx for the help.

Oh, i think i know which way the transformer goes back but can i check for sure somehow?

A
 
apex 420

Hi,
i just wanted to check something. Caps c5 and 7 in this mic are the same ( although on the schematic they appear to say there different) and have printed on them 470n J and 63.........am I right to assume that this means 470nF or 0.47uF at 63 volts.

Is it ok for me to put a 50 volt capacitor in here?

Thx, A
 
Back
Top