Alesis Micro Limiter mod question

  • Thread starter Thread starter versusliveact
  • Start date Start date
V

versusliveact

New member
Hi there!

I am Lac,and I would like to ask some help about modding my Alesis Micro Limiter.

Actually I have 2 different versions.

The green board:

http://www.kepfeltoltes.eu/view.php?filename=121IMG_20210704_224045.jpg

http://www.kepfeltoltes.eu/view.php?filename=200IMG_20210704_224056.jpg

and brown board:

http://www.kepfeltoltes.eu/view.php?filename=116IMG_20210704_224134.jpg

http://www.kepfeltoltes.eu/view.php?filename=872IMG_20210704_224202.jpg

I would like to recap the 4 capacitors in power supply in a first place to improve the bass ,the factory ones in the green board are 330uf 25v the brown board are 330uf 35v.


I have found someone who already did also,

https://www.bn1studio.co.uk/shop/compressors/stereo/alesis-micro-limiter-modified-recapped/

I contact with Him and he suggest: Go with the biggest capacitor you can fit,use shorter 1000/35s or 2200/35s that fit in the original locations.

But I don't know what is the two blue capacitor in the bottom:

https://www.bn1studio.co.uk/wordpress/wp-content/uploads/2018/07/0150286.jpg

Are those 100nf capacitors maybe?what type of these caps?

Thank You very much for Your answer!

Best wishes!

Lac
 
Take great care when considering increasing the value of supply filter capacitors. AFAICS that Aelesis unit uses a 'line lump' AC supply. Larger caps will increase the current demand from the transformer (technically you are worsening the 'Power Factor') and such lumps are usually pretty marginal in their rating to begin with. I also don't see how beefing up SUPPLY caps is going to "improve the bass response"?

Before you do anything you must find AND UNDERSTAND a schematic.

The blue 100nF caps are to keep the op amp stable. They either do or they don't, type is immaterial.

Alesis make very decent kit and almost always designers know WTF they are doing!

Dave.
 
Hi Dave!

Thank You for Your reply and drew my attention to these things.

I can replace components but my technical knowladge is very basic.

I read my information from bn1 studio website,but It seems I misunderstood.


https://www.bn1studio.co.uk/shop/compressors/stereo/alesis-micro-limiter-modified-recapped/

"The power supply has been updated with much larger reservoir caps and better decoupling. The tiny audio coupling caps have been replaced with much larger bipolar caps which really improves the bass end, making it smoother & better defined. Even with quite a lot of gain reduction you can feel the weight of the bass"


So the tiny audio coupling caps replacemant improve the bass not the power supply ones.

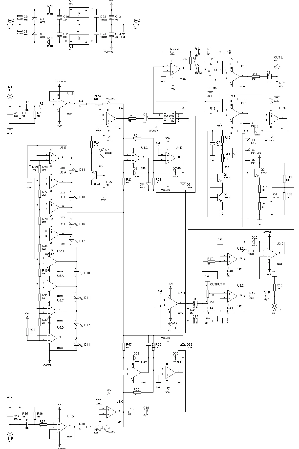
here is the schematic,but it is beyond my knowledge,so any suggestion and details about what capacitors would be better are welcome,the originals are 4.7uf 50V

Thank You!


Alesis Microlimiter Schematic.webp
 
Last edited:
Hi Dave!

Thank You for Your reply and drew my attention to these things.

I can replace components but my technical knowladge is very basic.

I read my information from bn1 studio website,but It seems I misunderstood.


https://www.bn1studio.co.uk/shop/compressors/stereo/alesis-micro-limiter-modified-recapped/

"The power supply has been updated with much larger reservoir caps and better decoupling. The tiny audio coupling caps have been replaced with much larger bipolar caps which really improves the bass end, making it smoother & better defined. Even with quite a lot of gain reduction you can feel the weight of the bass"


So the tiny audio coupling caps replacemant improve the bass not the power supply ones.

here is the schematic,but it is beyond my knowledge,so any suggestion and details about what capacitors would be better are welcome.

Thank You!


View attachment 110728
I think you should re-read Dave's post. If you don't know what you are doing, don't do it - especially with electronics or electrical components in general.
 
AFAICS that Aelesis unit uses a 'line lump' AC supply.
Hmmm this is interesting. I have a MicroGate. A long time ago I lost the power supply. I got a replacement 9V with TS 1/8" male plug. It never worked. So I almost threw it away thinking it was broke. I put it in a junk drawer to save. Years later I found the orginial supply, plugged it in, and it fired right up!

Is the line lump why the replacement didn't work? Does Alesis use a proprietary power supply perhaps?
 
The lower frequency cut off of a circuit depends upon the value of the coupling capacitor AND the load resistor that follows it, changing caps ad hoc in isolation (and, pardon me, ignorance) is not a good idea. Also compressors use caps as time constants for attack and release times, clucking with those could produce all sorts of bad sound.

Even for 'simpler' circuits, pre amps say, I always tell peeps to check the frequency response and, if possible the distortion levels. If you don't have the kit and the knowledge to do that, best left alone.

@LBS. Was the replacement supply DC mayhap? I should also add that small, AC only PSUs have been banned in EU for many years because they are very 'ungreen'. They might still be available in USA?

Dave.
 

Similar threads

Back
Top