Teac A4010S

  • Thread starter Thread starter RFR
  • Start date Start date
R

RFR

Well-known member
Any thoughts from the wise ones?

I'm sure it needs belts, maybe pinch roller.

But as long as heads are good, is this overall a good machine. Any idea on value?
 
Not a 'Pro' machine. 7" reels max, 7.5ips top speed. No doubt the I/0 is 'domestic' neg 10 as well but that can be seen to.

The transport LOOKS to be similar to my 4 track A3440? Not had a problem with that except belts, original roller.

They seem to have sold for around $450 in the day, lot of money for a very old machine today I would say unless it was fully refurbed to 'mint'? Get a cracking AI for that and a tape sim' pluggin?

Dave.
 
Thanks for your input. I get that this isn't a 'pro' machine, but I like old analog gear and can get it on the cheap.

Any one else got any wise words, knowledge, or has/has had one?
 
Memories. Capacitor dynamite

It was kind of a piece. I traded it for a pair of Marantz speakers. At that time, I was not as skilled in audio circuit repair as I am now, so I didn't do much. I am sure it would have sounded much better with a full recap and cleanup, had I been older and wiser.
 
So, the “specs” aren’t that impressive...50Hz - 15kHz +/-3dB @7.5ips...wow & flutter ain’t all that great either...BUT...it’s an old-school what I call drag-and-pull machine (no fancy servo system)...there’s not chip on the whole thing...all relay logic, the play and record amps are actually all discrete transistor-based amps...but it’s a 3 motor 3-head (4 actually on the “S” model) machine. So, simple to maintain, simple to work on and troubleshoot and repair (relative to a more complex servo tension machine with DC capstan)...I dunno...if the price is right it could be a nice little machine to have and use for certain things. I’m actually surprised at the discrete amp electronics.

HTH.
 
Haven't seen it in person. It's being sold as is/not working due to a missing power cord. From pics it 'looks' clean, but it's an unknown.
Price? A whomping 45 bucks, negotiable.

Stuff I've seen on line would indicate a 3 motor auto reverse deck. They tend to have a particular malady of the pinch roller mechanism freezing up. Grease gets hard and freezes up the bearing.
Seems to only have one belt, but it's a PIA to replace.

People in videos seem to speak highly of them, but that could be some kind of ownership bias, or they were greasing the public for an eventual sale.

There's a lot of R to R demo videos on YouTube where at first you think they are just showing off their deck, until the 'it's for sale' punchline comes in. :)

On Ebay, ive seen a lot of vids attached to prove whatever machine they are selling works.

Anyway, I was kicking it around and figured I'd ask those more knowledgeable than myself.

Now, what I'd really like is a pioneer 707 or 909. Always drooled over those things.
:D
 
Well geez if you’re in the market for a consumer quarter-track, $45 for something that can actually be worked on sounds great.

The A-4010 requires oiling of the pinch roller and capstan shaft bearings (I’m assuming they are bronze bushing type bearings so best to use turbine oil), and yes those will seize up with old and-or wrong lubricant, but super-easy fix. The motors require oiling too, but the manual has good instructions for all of that.

And how bad can the belt change be? Can’t be any worse than a cassette deck...at least the parts are all bigger scale on the open reel machine.

I think the pros would be the easier maintenance and repair of a traditional relay-logic machine with no integrated circuits, and the fact the amplifier electronics are 100% discrete. I pulled up the schematics for the A-3340S today. That was my first open reel machine. It sounded really, really nice at the time. I’ll have to pull up and listen to digital archives I have of stuff I tracked on that machine to see if my memories are delusions of grandeur, but I recall recording some electric bass stuff with the bass setup for a really bright sound. I accidentally played back the 15ips track at 7.5ips and I was shocked at the lively clarity that was revealed at the lower speed...and the E string stuff shifted an octave down reproduced clear and powerful...it sounded really nice and it turns out the electronics (except for the headphone amps) are all discrete on that machine too. It’s a more complex circuit on the A-3340S, and I can’t really figure out what the power rails are on each of those machines, but there might be some similarities in character between the two as far as the amp stages. Obviously there would be significant differences due to the 15ips capability of the A-3340S as compared to the A-4010, but for $45? And maybe talk the seller down a little? Seems worth considering. And no I’m not trying to sell an A-4010 OR an A-3350S. :D

And I understand where you are coming from on the Pioneer machines, but I’ve worked on an RT-909 before...hated it. NOT designed to be worked on easily. This is probably one of the single-most elements that distinguishes “consumer-grade” from “professional-grade” for me. A pro machine presents *some* degree of evidence the people that designed it anticipated it would need service at some point in the field, and at the very least access covers were designed to be easily removed and PC boards were located so you could get to them...and at least some stuff connectorized for easier removal, or in some cases boards were plugin type. The RT-909? Boards are all point to point interfaced with each other so good luck getting just one board out or being able to isolate signal I/O or isolate the power rails...and literally you’d have to about disassemble the whole machine to effectively clean the pots...it’s a pretty machine with a nice feature set, good specs and I think a solid running machine but I’d never want one because I’d dread the day it needs any kind of board-level repair.

The A-4010 looks like things are pretty accessible and the play amps are even on little plugin boards.
 
So in that sense (workability) that would make the Teac a more "pro' machine. :)

One thing with the older stuff, although they may not have the more modern specs, that stuff was built to last. And the mentality of the day was to repair stuff. Not like today where you can't even change a battery on an iPhone.

I have an older (1976) Kenwood KR 9400 receiver. I've had it since new. Most of the lights are burned out, but everything works still and it sounds amazing.
Old stuff built to last, is cool. (To me)
:D
 
You are right that this era of Teac is quite easy to work on.

I don't know what your definition of "pro" is. Plenty of machines of that era were all solid-state discreet, mostly due to the non-existence, or high expense of integrated circuits during that time.

Just because a circuit is made up of discreet components doesn't necessarily mean it's a superior circuit to one that has some ICs in it.

We may never understand the "mentality" of the manufacturer. As soon as it became cost effective to make the boards smaller, make the traces smaller, user fewer components and ICs, you bet they did (Teac / Tascam included.)
 
"I don't know what your definition of "pro" is. Plenty of machines of that era were all solid-state discreet, mostly due to the non-existence, or high expense of integrated circuits during that time. "

Yes, op amps were almost completely absent from 'domestic' electronics and most pro gear* for a very long time..I have a theory about this!

The first truly useful chip for audio was the 741 but it was too noisy for mic amps or tape repro. It also had a low slew rate although in practice it WAS adequate, in fact the massive bandwidth of Silicon Planar transistors was a real embarrassment to the early designers for audio!

Many makers of tape machines, especially 'hi fi' cassette decks, 'rolled their own. Hitachi, Philips made In House inline devices but what went on inside FOKnows! Having made the investment to produce their own devices mnfcts were understandably loathe to scrap designs when far better op amps became available.

And I'm back. Wife got up demanding coffee! WRT discrete circuits, you have to get very complicated and use high active component counts to even approach the performance of the NE5532 and I doubt the super low distortion of the LM4562 could ever be achieved with any practical discrete circuitry?

However, analogue tape circuits are pretty undemanding, especially 1/4 "pro" stuff. The 5532 would I think have low enough noise for a head amp? In all other circuits the distortion of modest 3 transistor amps of a bit under 0.05% and their middling poor drive capacity is not an issue.

The last bastion of the transistor is as a hybrid op amp mic pre and VERY high end mixer amps.

*The TRD used shedloads but only in the 'logic' iirc?

Dave.
 
Last edited:
Yeah, my understanding was that it took a while for op-amps to match the low noise levels of discrete transistors, much like transistors couldn't match valves to begin with.
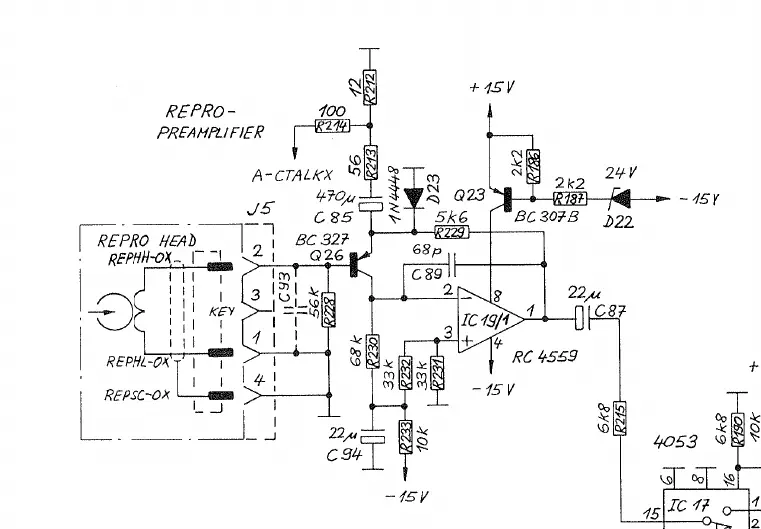
On the A807, the repro head goes through a BC327 before immediately hitting an RC4559 op-amp. I don't know if the transistor is being used as a preamplifier, switch or buffer because my understanding of basic electronics is just too poor.
 
Yeah, my understanding was that it took a while for op-amps to match the low noise levels of discrete transistors, much like transistors couldn't match valves to begin with.
On the A807, the repro head goes through a BC327 before immediately hitting an RC4559 op-amp. I don't know if the transistor is being used as a preamplifier, switch or buffer because my understanding of basic electronics is just too poor.

Likely the transistor IS being used in the hybrid mode with an indifferent op amp (schematic?). This is the technique used in the ubiquitous hybrid mic preamp but using two transistors to get a differential input.

The BC327 is not listed as a specifically low noise transistor but selected samples could have current gains (hfe) in the 500-600 region and that bodes well for low noise.

Back in the "741 day" they could have done this with that op amp but AFAIK nobody did!

Dave.
 
Likely the transistor IS being used in the hybrid mode with an indifferent op amp (schematic?). This is the technique used in the ubiquitous hybrid mic preamp but using two transistors to get a differential input.

Here's the preamp on the A807:
a807_repro_preamp.webp
 
Yes, you could buy a better machine- what do you expect it was the Vietnam War era. The belts need changing, brake pads, some parts glued back on, motors to be oiled, pinch roller might need to be sent to Terry- when a Pinch Roller falls below a certain diameter the pinch roller pressure spec can not be met as you run out of adjustment. That is why. The Audio section and power supply should be recapped with new Electrolytics. Even a motor run cap might be needed. There are those that for sentimental reason want them fixed. They can be fixed and looking at paper specs is not what I waste my time on. The performance I get from them often out-performs the specs- look at what tape they had to work with.

Wow and flutter wise- if the bearing is not terribly worn and the person applied the oil in the correct way, the new oil we have today can lower the wow and flutter value as in the A2000R I did that resulted in .02%w&F after the AMS oil I put into it.

Frequency response is both limited by the gap and also the application of record EQ. What happen is that with tape like Scotch 203 the record eq is boosted by a lot. These days, with a tape like LPR35, MDS36 or LPR90 the boost is not needed and so changing the record EQ caps to lower amounts allow the bias to be lowered. In doing this the bandwidth of the decks can be expanded to 20KHz. My decks when released if they have good heads on them go 50Hz to 20KHz at 0 Vu (200nWb/M flux) inside of plus or minus 2dB with 7.5 IPS. There are a lot of people out there that like the work I have done on a deck like that- The Mayor of Amarillo TX is one of them. 50Hz to 20KHz is used as that is the limit of the M826A Teac Test set used on bench 2. I can sweep to 50KHz on bench 1 with the Audio Precision.
Keep in mind the older heads were not as good as the newer A3300S heads. These increased performance. The new Pioneer heads out typically go out to 18KHz but the side benefit is very long life and about twice what the old heads were like. They are due in about 2 month now. They are made by the Otari/Technics/Pioneer head manufacturer. None of these companies made their own heads just like Teac did not make theirs.
 
Here's the preamp on the A807:
View attachment 101897

Sorry, forgot this thread. Yes, that is a form of hybrid discrete/op amp circuit. Not sure that that transistor network is doing feeding into the chip's +ve supply and I hope there is a transformer in the head circuit to stop the base bias magging it up?

Dave.
 
Back
Top