G
Granada
New member
I am the proud new owner of a pretty damn clean Tascam M520!
I traded this guy in one of my classes for a telecaster (mexican) and 50 bucks.
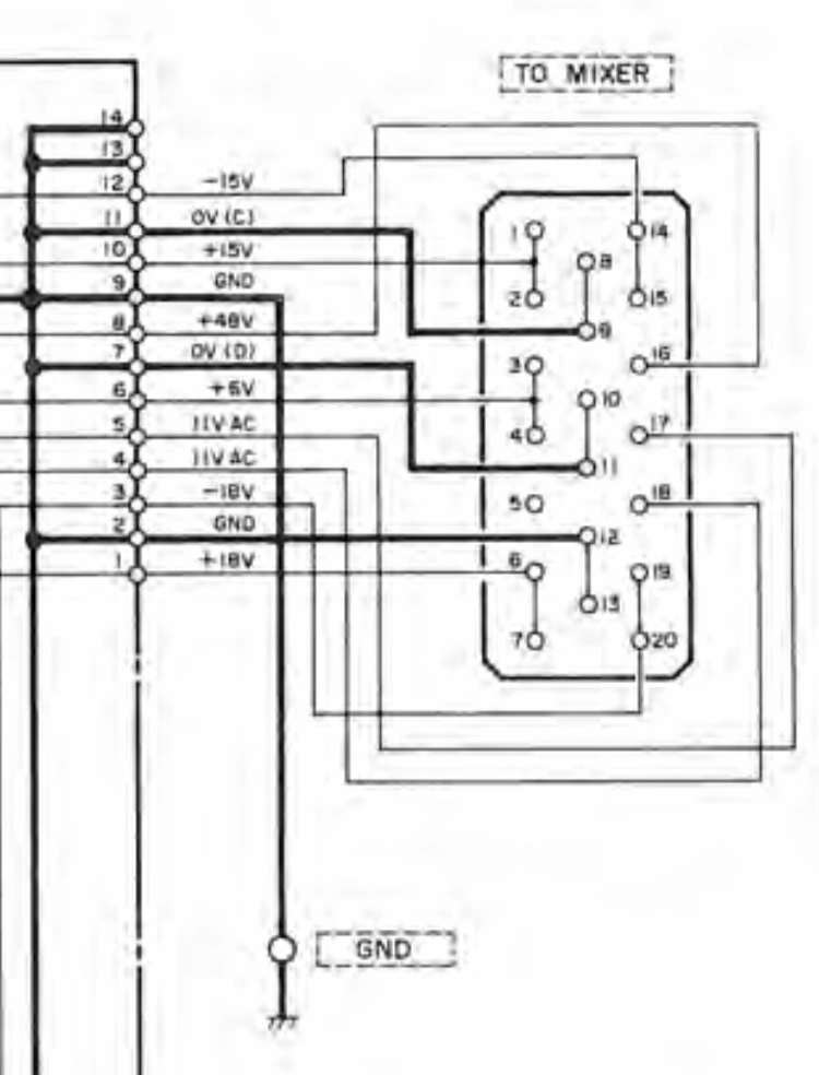
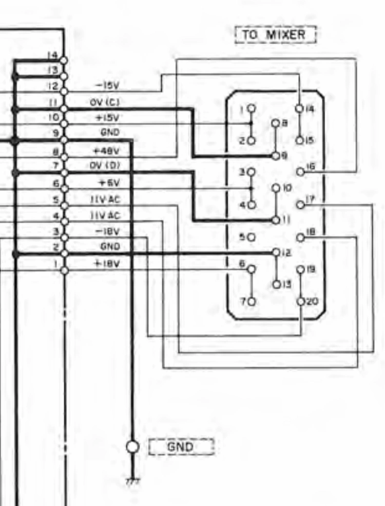
It came with 2 patch bays and a bunch of half done cabling. I just learned how to solder so I will be able to complete them, its going to a take a bit of time tho.
The one thing that i want to do that I don't know how to do it changing the meter bridge bulbs. There are 4 that are out.
I read in sweetbeats M520 story that there is some devilish cement in there somewhere and I was wondering if anyone could share on the best way to replace the bulbs.
Thanks alot
I traded this guy in one of my classes for a telecaster (mexican) and 50 bucks.
It came with 2 patch bays and a bunch of half done cabling. I just learned how to solder so I will be able to complete them, its going to a take a bit of time tho.
The one thing that i want to do that I don't know how to do it changing the meter bridge bulbs. There are 4 that are out.
I read in sweetbeats M520 story that there is some devilish cement in there somewhere and I was wondering if anyone could share on the best way to replace the bulbs.
Thanks alot
)