P
Pennyd
New member
I've came across with problem of connection microphone to CSR8645 module. I have regular single standing module.
I've connected speakers to it, I can connect to it through BT and play some audio files.
The problem is I can't make microphone work here in proper way. I've tried to connect regular two-wire microphone from headphones and even Arduino microphone module with no luck.
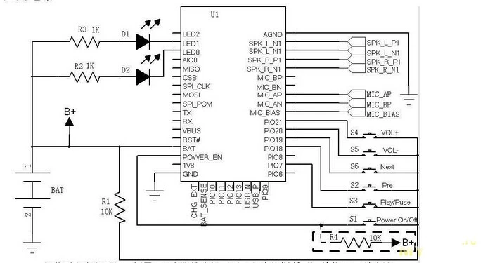
I found more detailed documentation for this module. And in this file there was scheme of attaching microphone. Here is it:

I were trying this schemes:


When I connected Arduino microphone module to CSR8645 due to last scheme, I can hear something (I mean on other side of phone call) but it has to much noise and it almost impossible to understand speech.
I've connected speakers to it, I can connect to it through BT and play some audio files.
The problem is I can't make microphone work here in proper way. I've tried to connect regular two-wire microphone from headphones and even Arduino microphone module with no luck.
I found more detailed documentation for this module. And in this file there was scheme of attaching microphone. Here is it:

I were trying this schemes:


When I connected Arduino microphone module to CSR8645 due to last scheme, I can hear something (I mean on other side of phone call) but it has to much noise and it almost impossible to understand speech.