Tascam 388 no right channel

  • Thread starter Thread starter illuminations
  • Start date Start date
Hello all. Thought I'd try to renew this thread. I've been distracted, partly due to the machine itself, and partly focusing on playing more and other life stuff.

If anyone had some insight it would be sincerely appreciated. I've looked around for techs in the area and it seems like someone who could reliably work on this older machine is pretty hard to come by. Thanks again!
 
Hello, I had an issue a few years ago with my L/R assign buttons. They produced no sound. Turned out to be the u104 chip on the monitor buss B pcb. You indicate having mono/summing issues during playback. Not sure replacing u104 would fix that, but might be worth a try. Are you monitoring through the L/R buss or the overdub monitor section? (The section with the gain and pan pots)
 
Thanks - that chip was mentioned earlier in the thread. I previously switched the monitor buss B pcb with one from my parts machine, and the issue did not change. I was monitoring through the L/R bus as well as the monitor section, and both had the same results.

With a little perseverance I was able to track down a tech who might be able to work on it and not charge an inflated price. The trick is just getting the machine over to him. I'm hoping to do that in the next few weeks. I think this issue is beyond swapping parts.
 
You could try pulling the metal bottom off the unit and reseating the buss board that goes perpendicular across the channel boards. Just push /pull it lightly. I've done this while running tone to the inputs and you can see the result.
 
Do you mean the tan strip that you have to remove to access the monitor pcbs? I took that on and off and even replaced that with one form the parts machine too. Still no luck.
 
It's been a while since I've posted and I'm still having some issues. I was able to take the machine to a tech. He found a bad transistor on the power supply board that he replaced. This didn't solve the issue. But he did say there was a connector with a loose pin to the monitor pcb. When he situated it, that resolved the stereo issue. So i brought it home and the issue is still happening. I'm having a hell of a time getting the tech to follow up on the issue (I should have checked before I left, but it took weeks for him to be available for pickup, and I just wanted to get my machine back). At this point I'm wondering if there is a certain connector I can look for which might be causing the issue. I tried to inspect them but was not noticing anything out of place.
 
It's been a while since I've posted and I'm still having some issues. I was able to take the machine to a tech. He found a bad transistor on the power supply board that he replaced. This didn't solve the issue. But he did say there was a connector with a loose pin to the monitor pcb. When he situated it, that resolved the stereo issue. So i brought it home and the issue is still happening. I'm having a hell of a time getting the tech to follow up on the issue (I should have checked before I left, but it took weeks for him to be available for pickup, and I just wanted to get my machine back). At this point I'm wondering if there is a certain connector I can look for which might be causing the issue. I tried to inspect them but was not noticing anything out of place.

So what is your specific issue?

And the tech "situated" the connector with the loose pin? Wth does *that* mean? Did the tech reflow the solder join or something?

You say whatever the tech did "resolved" the stereo issue...but you brought it home and it wasn't working again. Did you at any point experience it working after the tech worked on it, or are you going off of the tech's word that it was working?
 
So I didn't really want to start badmouthing, but the tech ended having my machine at his for about 2 months. This was after he "resolved" the issue after about a week and half. I kept getting crazy stories about why he couldn't drop it off or I could pick it up. So once he said he would be around I basically raced over there to get and forgot to bring a test tape. Of course he didn't have any on hand. I got a lot of mixed signals. I said he was going to recap the power supply but I don't think he did. He also said there was a loose pin in a connector, but I don't know what he's really talking about.

So I get home, put the machine down on my living floor and test it. Same problem. But having just responded to Mark7's thread, I thought I'd plug it in and just listen to a recording real quick before I opened it back up. And poof! it's working again. Full stereo effect. Maybe moving it knocked something into place? Would a poor solder joint somewhere cause this sudden change? Or would it more likely be a connector somewhere? I'm leaving in on at the moment and don't really want to move or do anything with it because there are a handful of songs I really want to mix. Who knows how long I'll have it functional.

Also, the issue I was having was the weird mono thing we were trying to chase down about 5 months ago.

---------- Update ----------

Lordy, I went back on the thread, and it was actually about a year ago this started.
 
A cold solder joint is always a possible cause of intermittent signal path problems.
 
If it's a cold solder joint I may be sol because I have no way of narrowing that down. It's beyond what I know.

I guess it was wishful thinking. I was able to get one song mixed while it was working and now it's back to the weird mono issue.

But I wanted to ask, could an issue in the headphone jack somehow cause this problem? Even it's affecting the stereo outs, etc? I was listening to song with a friend with headphones plugged into both outs. She was using the one on the left, which is what I usually monitor with, and I was plugged into the right. The strange thing is, I was having the mono issue in mine but she was not having it in hers. While we were listening I adjusted my input a little and she said her sound kind of went in and out. I didn't bother with the second input after that because I didn't want to screw anything up until I was done mixing. Now, of course, the mono issue is happening in both jacks and the outs again.
 
I can’t really say why things were different between the two headphone outputs, because they are driven by the same amp and the two headphone jacks are simply in parallel.

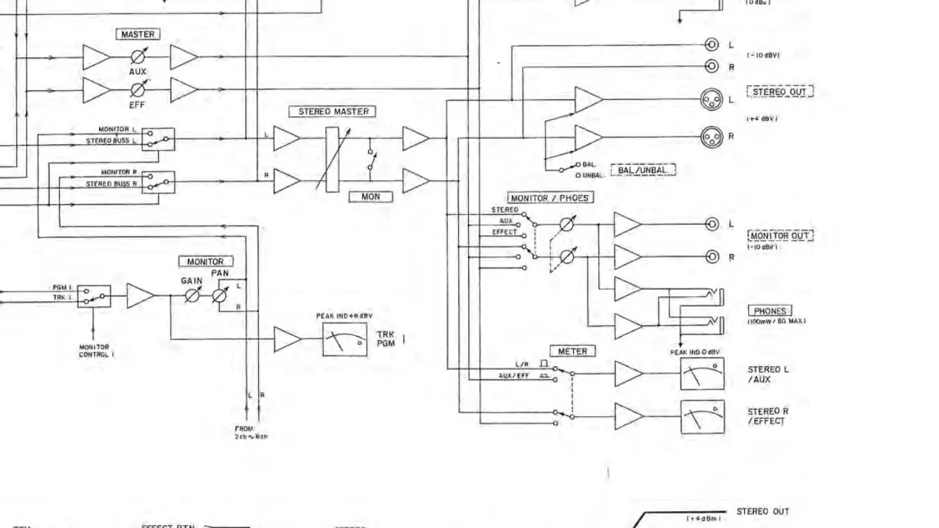
Look at this snippet from the block diagram...the little triangles are amplifier stages, okay? In this case they are all line amplifier stages, except for the headphone amp:

FEA52FF7-8B9B-4238-86B7-B81799353F8F.webp

You see on the right the two headphone jacks, they have the same source, the same pair of amps for the L and R headphone channels. And if you follow it upstream you can see the headphone amp input is the same as the amp for the MONITOR OUT jacks. And furthermore when the headphones and MONITOR OUT jacks are sourced to the STEREO buss, guess what? It’s the exact same signal you should have at the balanced and unbalanced STEREO OUT jacks. So that’s the question...aside from this oddity where the two pairs of headphones were behaving differently, are you experiencing the same “everything is mono” problem at the STEREO OUT jacks as well as the MONITOR OUT jacks and the headphone jacks (at least most of the time)?

Those all source the stereo fader booster amp and right upstream from that is the MONO switch. So is that the case (same problem present at all those outputs)?

If so, I’m wondering if your MONO switch has gone hinky. Have you tried exercising the switch? Like rapidly latching and unlatching the switch like maybe a 100 times?

Don’t get too discouraged yet. Even if you feel this is outside of your wheelhouse there are a couple relatively non-technical things you can try and maybe get some direction.

One of them is exercising the MONO switch as per above. The other thing you can try is tip the 388 on its side, make sure it is well supported, remove the bottom panel, put some audio through to the stereo buss and monitor it with your headphones. Now gently start applying some pressure to the buss PCB, the long skinny PCB that runs across all the input and master section cards. Gently push on it, maybe twist it a little with your thumb and fingers around the monitor PCB (the one closest to the tape transport)...gently push on any connectors on the monitor PCB. Apply some pressure this way and that to the monitor PCB around where it connects to the buss PCB. Have your audio playing the whole time and listen in the headphones. Does the signal change? Does it go from mono to stereo or vice-versa? Is there any crackling, static or intermittency in the audio when you push on any certain spot or in a certain way? Just make note of any and all you notice, what happened and what you were doing when it happened. You don’t have to know the names of anything, but take a picture that kind of shows what you were doing when you were able to make something good or bad happen. Make sense?

Doing this kind of thing can sometimes help isolate a cold solder joint, broken trace or the like.
 
Back
Top