M
M216
New member
Yes, 220v/50Hz in Iceland
In Australia 240 volts, (actually more like 250volts here) I run the whole studio off a 16A breaker (actually earth leakage breaker) which is feed from a side of the 3 phase that only powers the studio. Kitchen and air cond from it's own phase and lighting from it's own phase. Therefor switching lights and the starting of air con makes not electrical noise in the studio. I do run 2 x UPS / filters, one on the console and recorders (hard disk recorders) and one for all the computers. Amps and stuff in the recording room are direct to mains.
To people in countries with 110/120 volts you will need approx 35 amps to equal 16Amps at 240 volts.
Alan.
I´m not familiar of UPS, what is it?
Uninterrupted power supply. They have a battery backup so if the mains goes off it will keep the gear running for enough time to back up your work before the computers turn off. I have it one the console because it has an on board computer with automation and the hard disk recorders because if the power went off in the middle of recording it ends up with corruptive files and screws it up.
The UPS also protects you from a voltage spike or dip by switching to the battery until things return to normal.
UPS
Alan.

220V? "Nominal" 230V or the 240V+ I usually get? No matter, even 220V give you over 3kW, more than enough.
I don't know how long the "run" would be but I would take a chunky 4mm cable right from the meter cupboard and bring that to a consumer unit similar to the one shown. Of course you really only need one 16A breaker in it but I would get one with built in RCD. Old house so bet nothing in the cupboard?
Have you considered a UPS?
Dave.
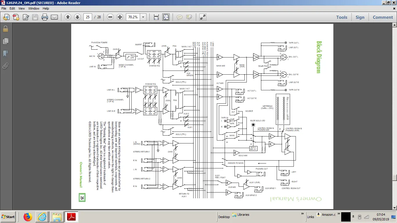
Please?
