Mark7
Well-known member
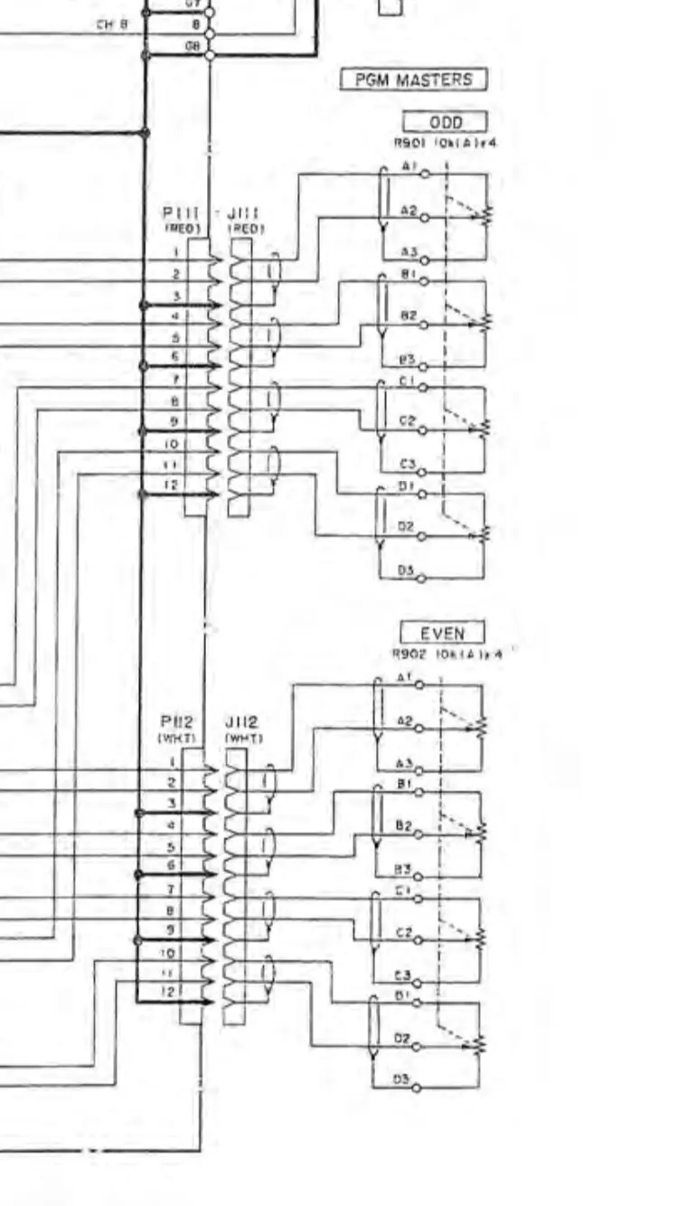
Jesus Christ this wiring is confusing. I may end up with faders that work backwards
I cropped this out of your photo
View attachment 105900
And here's a photo I took of mine before the card came out
View attachment 105901
Are these channel faders the right way up?
Does it matter which one is on which side?

Let us know if you figure this out. I've had a hell of a time trying to solve this same problem on my machine. I switched out almost every card in an attempt to to see if that would help to no avail. I took it to a tech who said he solved it only to find it was not solved. One thing I did not do was switch out the power supply card, but i'm not sure if that is advisable.



W/regards to the stereo and master buss cards. Is there much any indication in the manual as to what clips on where? I went by size, colour and ease of reach but my wiring looks different to Sweetbeats