 
 
		
				
			sweetbeats
Reel deep thoughts...
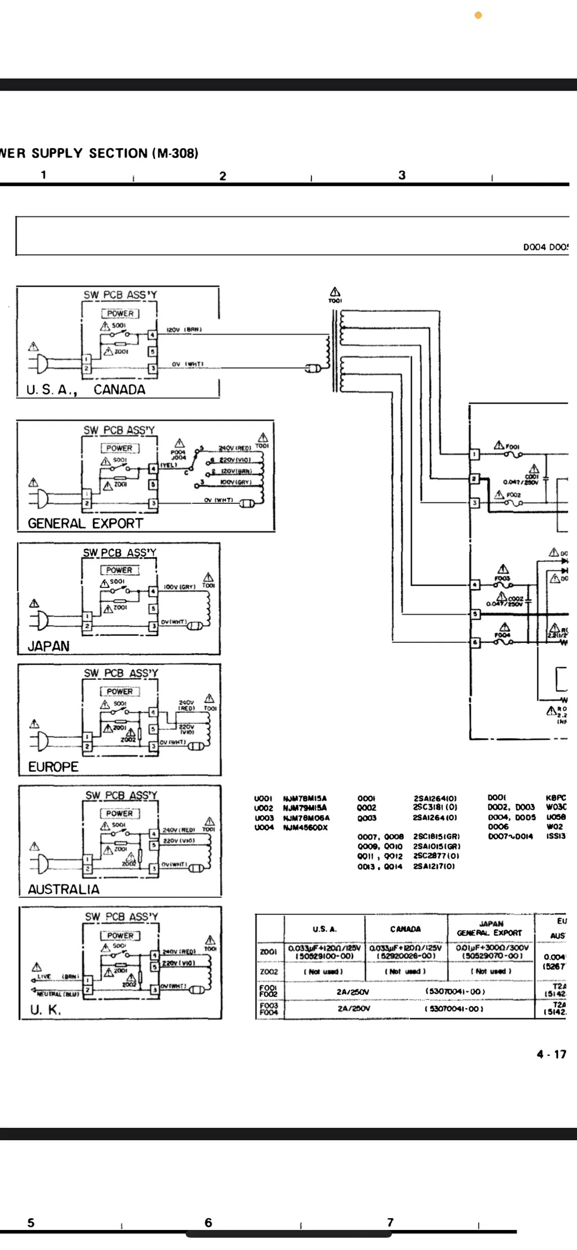
Fuses blow because the current flowing through them reaches a threshold where the filament heats up to the point of melting, which it does and as a result interrupts power. The current flows because of the demand of the devices downstream of the fuse, not the other way ‘round (for instance from a high voltage surge from upstream), so an event on the supply side of the power transformer wouldn’t necessarily blow the fuses.…it must’ve somehow been powerful enough that it killed the PT before the surge made it through to blow the fuses on the secondary side.
So how are you measuring for voltage? It’s going to be AC at the secondaries. Is your DMM set to AC volts? If not, set to AC, and on the secondary side you’ve got 6 colored wires right? This is from memory, but you’ll see two pairs of wires that are the same color…maybe two orange wires and two blue or purple wires? That I can’t remember…but you want to measure for AC volts across each colored pair of wires (like black probe on one orange wire and the red probe on the other orange wire…or whatever color the secondary wires are…and then do the same thing across the other same colored pair of secondary wires). I apologize if you know this already and that’s what you did…I’m just curious and want to make sure. It does indeed sound like your power transformer is zorched. I’ll go digging for the one I’m pretty sure I have here.I pulled the fuses out and had the power on for about 5 minutes. Nothing started smoking thankfully. I tested the secondaries again, this time on the transformer side of the fuse holders, and I wasn’t reading any voltage coming through. I had the power supply pcb unscrewed last time, and was testing the solder pads of the secondary leads instead. Don’t know why I was measuring a tiny bit of voltage last time vs now
Assuming I have it and we strike a deal (I’m told I’m pretty reasonable…I’ll reach out to you directly if/when I find the transformer), what I recommend is that if you can, install it and then isolate the power supply PCB to test it before powering the whole console. I can’t recall if you can unplug the outputs of the power supply on an M-300…I’ll know the answer if I find the transformer because I also have I believe a complete power supply PCB assembly. But anyway if you can disconnect the outputs of the power supply, that will isolate the rest of the console from the power supply, so if there’s a problem with the PSU you can power it and let that tell you there’s a problem (smoke, stink, etc) without potentially damaging anything downstream. And you can measure with your DMM to verify the correct DC voltages at the outputs, and also measure for AC volts…should be at or very close to 0 AC volts at the DC outputs…like not more than a few mV AC. If you have an oscilloscope that would be even better to use to check. Anyway, I’m kind of getting ahead of things since I’ve still got to go hunting for the iron.
Stay tuned.
 
			 
			 
			 
			
 
 
		 
			 
			 
 
		 
 
		 
 
		 
 
		